OK Nous utilisons des cookies pour analyser et améliorer votre navigation sur notre site Internet.
Sur notre page RGDP, vous trouverez de plus amples informations et d’options pour les désactiver.
Recherche
MENU Catalogue Global Sites
BAMO
FRANCE
Fabricant français de capteurs et d’instruments pour le contrôle et l’analyse des fluides
Vous êtes actuellement dans BAMO FR » Nos Produits » Catalogue Général » Température » T501
Catalogue Général 696-16
T501
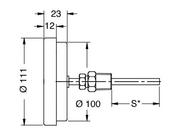
T501     Thermomètre bimétallique
Thermomètre bimétallique
T501


Montage BO

Montage RO
  • Système hélicoïdal bimétallique
  • Hermétiquement scellé
  • Longueur de tige : maxi 1,5 m
  • Réglage externe du zéro en option
APPLICATIONS

- Milieux liquides et gazeux
- Environnements corrosifs
- Applications pétrolières et gazières
- Chimie et pétrochimie
- Alimentation et boissons
- Centrales nucléaire

DESCRIPTION

Les thermomètres bimétalliques T501 reposent sur le principe selon lequel les métaux se dilatent différemment lorsqu’ils sont exposés à des variations de température. Ils sont constitués de deux bandes métalliques solidement fixées l'une à l'autre, chacune ayant un coefficient de dilatation thermique différent. Ce duo forme l’élément bimétallique. Lors d’un changement de température, les deux métaux se dilatent de manière inégale, provoquant une déformation mécanique de l’élément. Cette déformation se traduit par un mouvement de rotation, qui permet d’indiquer la température sur le cadran.

Grâce à sa conception simple, le thermomètre T501 offre une solution à la fois économique et fiable, idéale pour les applications industrielles exigeantes. Avec une plage de mesure de -80 à +400 °C et une précision de classe 1 selon la norme EN 13190, il répond aux exigences des environnements industriels.

Pour les applications soumises à de faibles vibrations, le thermomètre peut être rempli d’huile de glycérine ou de silicone, ce qui permet d’amortir les vibrations mais limite la température maximale admissible. En cas de fortes vibrations, il est nécessaire d’utiliser un thermomètre à dilatation de gaz (Voir fiche 696-12).

Important : Pour une mesure précise, il est essentiel que l'intégralité de la partie sensible du plongeur soit immergée dans le milieu à mesurer.

CARACTÉRISTIQUES TECHNIQUES
Classe de précision   Classe 1.0
Température ambiante   -20...+60 °C
Dépassement d’échelle   110 % de la pleine échelle
PN du plongeur   25 bar (sans puits thermométrique)
Joints de soudures   Soudures à l’arc / Argon TIG
Protection   IP 65 (Options: IP 66, IP 67, scellé hermétiquement)

 

Matériaux de construction

Élément de mesure   Bande bimétallique
Boîtier et lunette   Inox AISI 304
Plongeur et raccord   Inox AISI 316
Cadran   Aluminium, graduations noires sur fond blanc
Aiguille   Aluminium, revêtement noir, 0 ajustable
Voyant   Verre plat SEKURIT
Joints   NBR

Conformité CE : L'appareil satisfait aux exigences légales des Directives
Européennes en vigueur.

Catalogue Général 696-16
17/10/2025 17:49
Thermomètre bimétallique
T501
Notre équipe toujours à votre disposition
Demande de DEVIS en ligne
BAMO Mesures SAS
22, Rue de la Voie des Bans
Parc d'activités de la Gare
95100 ARGENTEUIL France
Tél. : 01 30 25 83 20
Fax : 01 34 10 16 05
Mél. : info@bamo.fr
Site : http://www.bamo.fr
Siret : 314 055 864 000 65
TVA Intra : FR 08 314 055 864
APE : 4669 B
Capital : 400 000 Euros
Une réalisation de CARIMEDIA depuis 1998
© 1998-2026 Tous droits réservés - Mentions Légales